RECYCLED RC1441

Serie Riciclata

La Serie Riciclata è una collezione di dispositivi progettata con l’obiettivo di ridurre l’impatto ambientale e promuovere la sostenibilità. Questi dispositivi sono realizzati utilizzando elementi strutturali provenienti da scarti tessili e fogli di alluminio, insieme a tavole ottenute da reti da pesca e corde recuperate dagli oceani.

Specifiche del materiale

  • La struttura è realizzata con un composito riciclato resistente, appositamente progettato per resistere all’umidità e alle basse temperature.
  • Le piattaforme sono costruite con materiali antiscivolo e impermeabili, come il compensato o le piastre HPL, assicurando una superficie sicura e resistente.
  • I copri sono realizzati con pannelli di polietilene ad alta densità (HDPE) riciclato, progettati per resistere alle condizioni meteorologiche avverse.
  • Le scivolate sono realizzate in acciaio inossidabile, con i lati costituiti da pannelli di polietilene ad alta densità (HDPE) riciclato, garantendo durata e sicurezza.
  • Barre di supporto realizzate in acciaio inossidabile, che assicurano stabilità e resistenza nel tempo.
    Viti in acciaio inossidabile e/o viti con tappi di plastica, garantendo una robusta struttura e una finitura di alta qualità.

Informazioni aggiuntive

  • Equipaggiamento progettato per essere utilizzato nei parchi giochi pubblici, offrendo divertimento e sicurezza per tutti i bambini.
  • Ogni componente dell’attrezzatura è accompagnato da un certificato emesso da un ente accreditato o da una dichiarazione di
  • conformità, garantendo standard elevati di qualità e sicurezza.
  • L’assenza di spigoli vivi o crepe elimina qualsiasi rischio di infortunio per i bambini durante il gioco, assicurando un’esperienza sicura e senza preoccupazioni.
  • L’ancoraggio su superficie piana a una profondità di 80/70/60 cm assicura una stabilità ottimale dell’attrezzatura, anche durante l’uso intensivo.
  • Si consiglia di non installare lo scivolo in direzione sud per evitare il surriscaldamento dei materiali durante le giornate calde.
  • Le immagini mostrate sono solo a scopo illustrativo; si prega di notare che l’aspetto effettivo dell’attrezzatura e il suo colore possono variare leggermente.
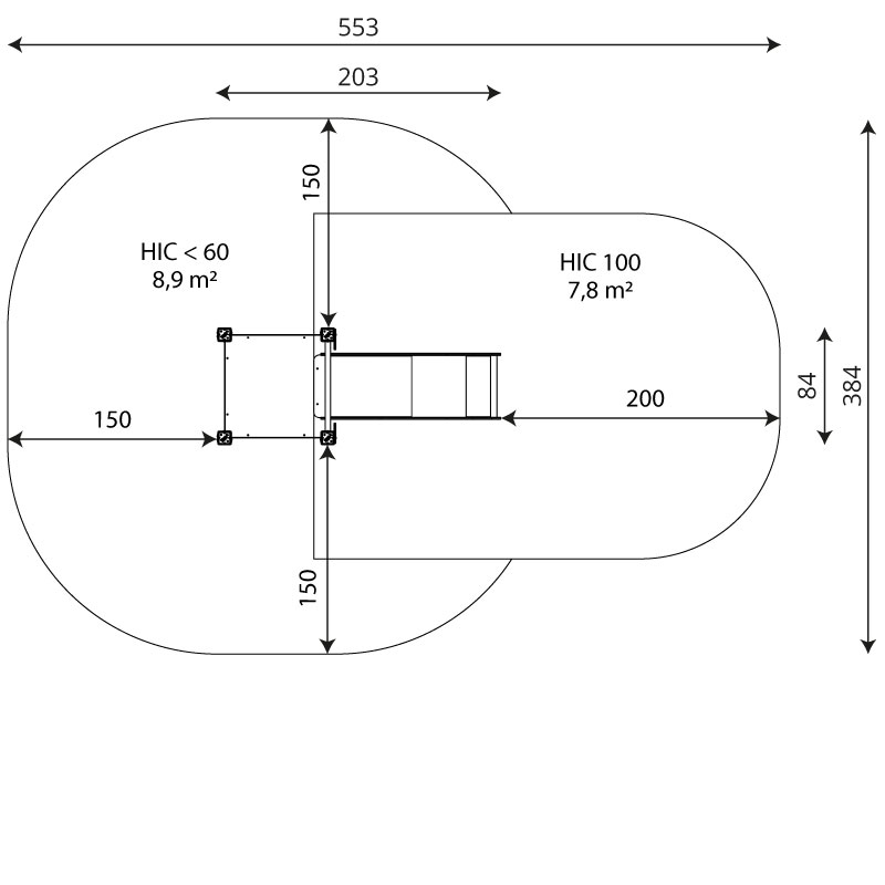
Lunghezza

203 cm

Larghezza

84 cm

Altezza Totale

171 cm

Età

1-8

Numero di Utenti

3

Zona di Sicurezza

16,7 m2

Altezza di Caduta Libera

<60 cm

Altezza della piattaforma

35 cm

In conformità alla norma EN

1176-1:2017

Peso della parte più pesante

25 kg

Dimensioni della parte più grande

160x52x15 cm