WOODEN WD1436

La serie MINISWEET è composta da attrezzature per parchi giochi progettate per i bambini più piccoli e i bambini in età prescolare.

Specifiche del materiale

  • Costruzione realizzata con legno di pino laminato, impregnato e doppio rivestimento di altissima qualità, dimensioni 90 x 90 mm senza nodi, fissato nella parte superiore con tappi in polipropilene,
  • Ancoraggi metallici realizzati in acciaio zincato a caldo, che proteggono il legno dal contatto diretto con il terreno per prevenire il marciume e prolungare la durata del prodotto,
  • Tetti, pannelli laterali realizzati in resistente lamiera HDPE o HPL, resistente alle condizioni atmosferiche,
  • Elementi mobili realizzati in resistente lamiera HDPE o HPL, resistente alle condizioni atmosferiche,
  • Barre in acciaio inossidabile,
  • Viti con coperture in plastica e/o viti in acciaio inossidabile,

Informazioni aggiuntive

  • Attrezzatura adattata per persone disabili; destinata a parchi giochi pubblici;
  • L’attrezzatura ha un certificato rilasciato da un ente accreditato o una dichiarazione di conformità;
  • Nessun bordo affilato o fessura che possa rappresentare un pericolo di incastrarsi per la testa, le dita o qualsiasi altra parte del corpo;
  • Ancoraggio su superficie piana, profondo 80/70/60 cm;
  • Il rendering è solo a scopo illustrativo, l’aspetto effettivo dell’attrezzatura e il suo colore possono variare;
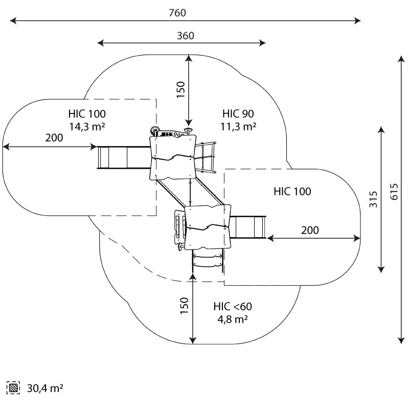
Lunghezza

360 cm

Larghezza

315 cm

Altezza Totale

280 cm

Età

1-8

Numero di Utenti

14

Zona di Sicurezza

30,4 m2

Altezza di Caduta Libera

90 cm

In conformità alla norma EN

1176-1:2017

Peso della parte più pesante

22 kg

Dimensioni della parte più grande

257x9x9 cm